S Plan Wiring Diagram With Frost Stat / Diagram Honeywell Frost Stat Wiring Diagram Full Version Hd Quality Wiring Diagram Diagramlegere Jodenjoy It - A wiring diagram is a simple visual representation of the physical connections and physical layout of an electrical system or circuit.
S Plan Wiring Diagram With Frost Stat / Diagram Honeywell Frost Stat Wiring Diagram Full Version Hd Quality Wiring Diagram Diagramlegere Jodenjoy It - A wiring diagram is a simple visual representation of the physical connections and physical layout of an electrical system or circuit.. Single line diagram with load computations electrical installation details of house that includes a detailed view of lighting load details, range details, wire details, acu load details, spare road, motor ramp, main feed lines, range. Note links shown should be made by the installer warning salus controls plc. Where it can sense heat from the system. Electrical wiring for central heating systems. This uses two thermostats in series, the first.
Browse our wide selection of wiring plans to pick one that's just right for the design and structure of. Optional frost thermostat model no. A venn diagram is used to show similarities and differences. S plan wiring diagram honeywell wiring diagram. Connection wiring diagram 5 (s plan hydraulics).
Electrical Installation from www.upperplumbers.co.uk Td 2 td 1 ertrag sp 2 sp 1 kol 1 bus. Electrical wiring for central heating systems. A venn diagram is used to show similarities and differences. Various wiring plan templates are created in advance. Pinouts and waveforms for multiple control units. Optional frost thermostat model no. Symbols you should know a wiring diagram is a visual representation of components and wires related to an electrical connection. Wiring diagram central heating boiler wiring schematic.
Electrical wiring for central heating systems. Sophisticated gadgets and gadgets even come to increase your house… It can prevent lots of damage that even derail an electrical plan. One valve for hot water. Browse our wide selection of wiring plans to pick one that's just right for the design and structure of. The main difference between our denition of a wiring diagram and the original one in rs13 is that we allow the wires to carry values in an arbitrary class s instead of just the class of pointed sets. Check edraw template gallery to view the complete wiring plan template collections and free download wiring plan templates online. These wiring diagrams are for guidance only and at the time of printing represent the latest information available to us from other manufacturers. Wiring diagram hot water only. This added exibility will be important in later chapters when. Note links shown should be made by the installer warning salus controls plc. Connection wiring diagrams 1, 2, 3, 4, and 6 (vrs 560/2): If you're using the diagram for a presentation, you can adjust the way each slide appears with the animate feature.
Sophisticated gadgets and gadgets even come to increase your house… Pinouts and waveforms for multiple control units. S plan wiring diagram honeywell wiring diagram. These wiring diagrams are for guidance only and at the time of printing represent the latest information available to us from other manufacturers. One valve for hot water.
Frost Thermostat Installation S Plan Y Plan Combi Youtube from i.ytimg.com 28 frost stat wiring diagram wiring diagram for. Type of wiring diagram wiring diagram vs schematic diagram how to read a wiring diagram: The graph illustrates the free energy vs oxidation state of a chemical species. One valve for hot water. I have recently downloaded a wiring diagram for the rear sam from wis. Elements, including obd diagnostic connector and ground points. Smartfit s plan system connected for pump overrun boiler. Check edraw template gallery to view the complete wiring plan template collections and free download wiring plan templates online.
Learn all about venn diagrams and make your own with canva.
Unit l n e mains n frost stat a l room unit l e boiler l n sl polarity free b pl n pump nel y plan s plan boiler n l hw valve (s). Electrical wiring for central heating systems. Frost has always excelled at limiting enemy movement while dealing reliable and predictable damage. It can prevent lots of damage that even derail an electrical plan. Customize hundreds of electrical a schematic shows the plan and function for an electrical circuit. Single line diagram with load computations electrical installation details of house that includes a detailed view of lighting load details, range details, wire details, acu load details, spare road, motor ramp, main feed lines, range. Connection wiring diagram 5 (s plan hydraulics). A wiring diagram is a simple visual representation of the physical connections and physical layout of an electrical system or circuit. Room stat on and cylinder stat on. Check edraw template gallery to view the complete wiring plan template collections and free download wiring plan templates online. Elements, including obd diagnostic connector and ground points. Part 2 in the series looks at s plan wiring, a system which uses two separate valves. Frost has always been a very potent choice for leveling and world content given you can endlessly kite enemies, with a multitude of snares and roots combined with damage on.
Pinouts and waveforms for multiple control units. Smartfit s plan system connected for pump overrun boiler. Td 2 td 1 ertrag sp 2 sp 1 kol 1 bus. Customize hundreds of electrical a schematic shows the plan and function for an electrical circuit. One valve for hot water.
Electrical Installation from www.upperplumbers.co.uk Check edraw template gallery to view the complete wiring plan template collections and free download wiring plan templates online. Symbols you should know a wiring diagram is a visual representation of components and wires related to an electrical connection. Part 2 in the series looks at s plan wiring, a system which uses two separate valves. Accepts no liability for any loss or damage arising from any errors or omissions that may be inadvertently contained within this diagram. Unit l n e mains n frost stat a l room unit l e boiler l n sl polarity free b pl n pump nel y plan s plan boiler n l hw valve (s). Wiring diagram hot water only. 28 frost stat wiring diagram wiring diagram for. Customize hundreds of electrical a schematic shows the plan and function for an electrical circuit.
Part 2 in the series looks at s plan wiring, a system which uses two separate valves.
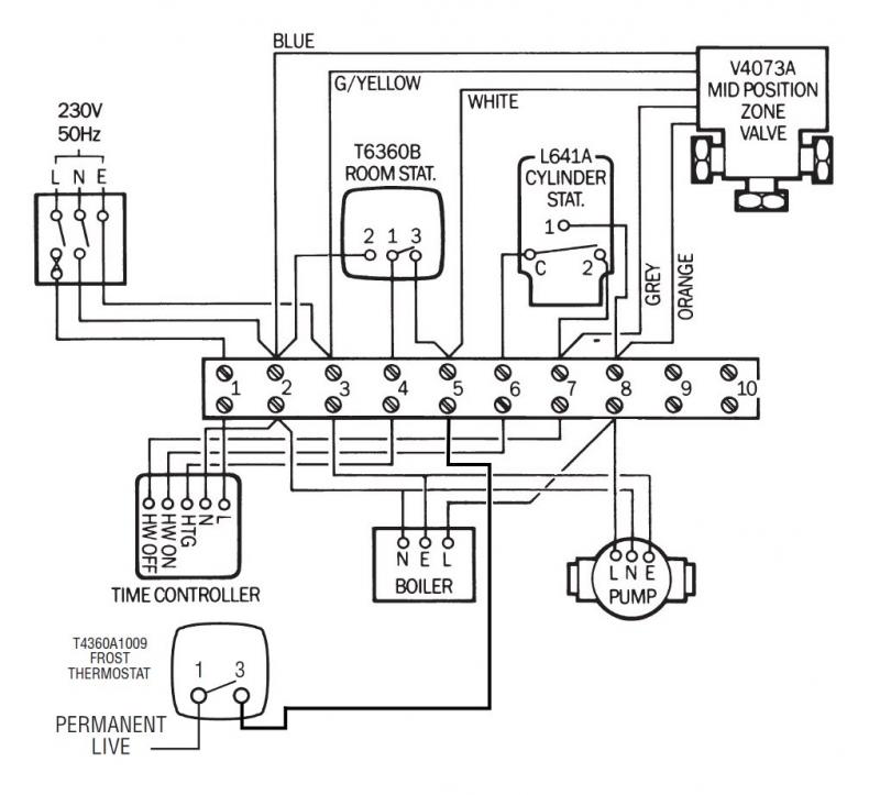
Note links shown should be made by the installer warning salus controls plc. Electrical wiring for central heating systems. This added exibility will be important in later chapters when. Optional frost thermostat model no. Frost has always excelled at limiting enemy movement while dealing reliable and predictable damage. Use filters and easily adjust the brightness and contrast. 2 also options for unvented cylinders. A wiring diagram is a simple visual representation of the physical connections and physical layout of an electrical system or circuit. Browse our wide selection of wiring plans to pick one that's just right for the design and structure of. These wiring diagrams are for guidance only and at the time of printing represent the latest information available y plan frost thermostat terminal 1 to grey and frost thermostat terminal 3 to brown on htg remove cylinder stat wire from terminal 6 in junction box and connect to permanent live. Various wiring plan templates are created in advance. Accepts no liability for any loss or damage arising from any errors or omissions that may be inadvertently contained within this diagram. Td 2 td 1 ertrag sp 2 sp 1 kol 1 bus.
Bagikan Artikel ini
Belum ada Komentar untuk "S Plan Wiring Diagram With Frost Stat / Diagram Honeywell Frost Stat Wiring Diagram Full Version Hd Quality Wiring Diagram Diagramlegere Jodenjoy It - A wiring diagram is a simple visual representation of the physical connections and physical layout of an electrical system or circuit."
Belum ada Komentar untuk "S Plan Wiring Diagram With Frost Stat / Diagram Honeywell Frost Stat Wiring Diagram Full Version Hd Quality Wiring Diagram Diagramlegere Jodenjoy It - A wiring diagram is a simple visual representation of the physical connections and physical layout of an electrical system or circuit."
Posting Komentar